Description:
The wiring harness for LED off road lights is the perfect accessory for off road vehicles, working vehicles, and any automobile that could use a relay to power specific equipment.
This wiring harness for LED off road lights simplifies the installation process of powering various equipment on all automobiles.
Specification:
Relay: 12V 40A
LED Switch: DC 12V 20A / DC 24V 10A (CE Approved)
Switch Light Color: Green / Blue / Red / Red Blue
Switch Pin Number: 5
Fuse: 30A
Wattage: Up to 300W
Fitment: All automobiles and devices equipped with a 10 to 30 Volt DC power source.
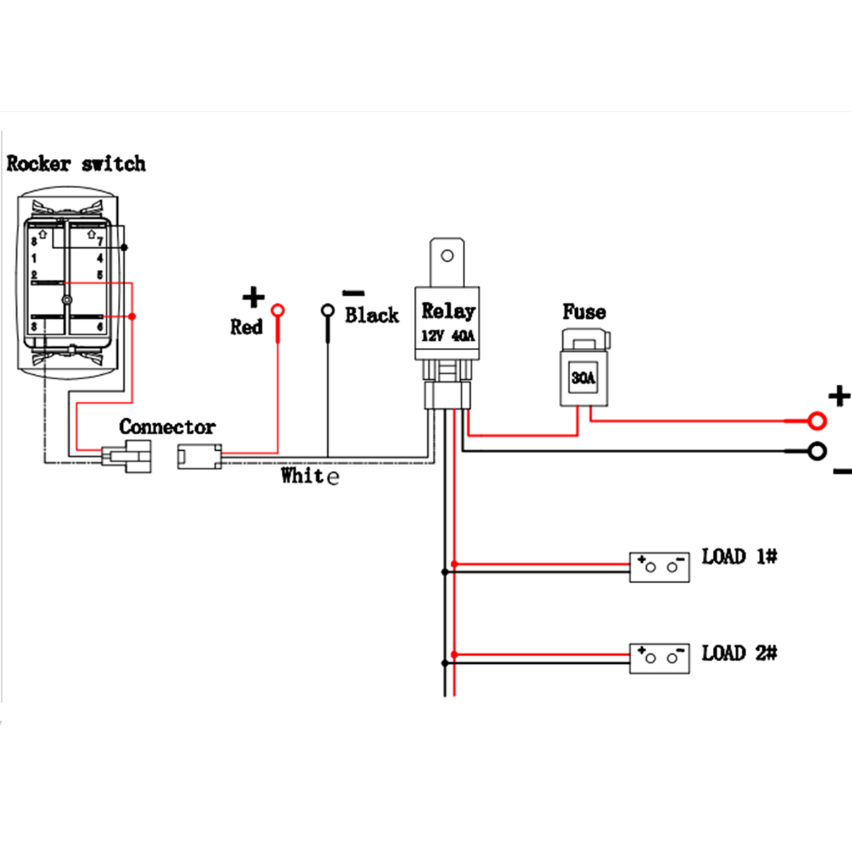
Full Wiring Kit for All Light Bars with LASER ROCKER SWITCH ON/ OFF switch.
Installation: (Just for reference)
1. connect the the red+ wire from the fuse to battery +; connect the black wire from the reply to the battery -;
2. connect the wire for lights bar from the relay; (red/black correspond to the wire of lights bar)
3. connect the white +/black- wire of the switch to battery or any place of your car system to get power for the switch
4. turn on on/off button of switch to test the lights bar
Note:
1. Please check the size measurement chart carefully before making payment.
2. Please allow 0.5-1 inch difference due to manual measurement.(1 inch=2.54cm)
3. The color of the actual items may slightly different from the listing images due to
different computer screen, thanks for your understanding.
4. Instruction is not included.
Package Included:
1 X Wiring Harness (Comes with a relay and a fuse)
1 X Fog Light Switch
















